产品特点::
> 1、环保聚乙烯材料,耐腐蚀,全自动运行。
> 2、水泵核心配件台湾进口,控制器带空转、过载保护等功能。
> 1、环保聚乙烯材料,耐腐蚀,全自动运行。
> 2、水泵核心配件台湾进口,控制器带空转、过载保护等功能。
产品特点:
环保聚乙烯材料,耐腐蚀,预留5个进水口。配套水泵的核心部件为台湾进口,通过米径50-60mm。控制器特点:水泵空载保护、可设置延时启动/停止,水泵过载保护、高抗干扰性能,高位报警强启、手动/自动切换、自动巡检等功能。
产品应用:
主要用来排放大型别墅,多个卫生间,小型商场产生的生活污水。
性能曲线:


技术参数
|
型号 |
功率(kW) |
最大流量(m³/h) |
最高扬程(m) |
最大启动次数(t/h) |
出口口径(DN) |
最大通过粒径(mm) |
|
ZLlift150L075D |
0.75 |
50 |
11 |
60 |
80 |
50 |
|
ZLlift150L150D |
1.5 |
80 |
14 |
60 |
80 |
60 |
|
ZLlift150L220D |
2.2 |
90 |
18 |
60 |
80 |
60 |
|
ZLlift150L370D |
3.7 |
110 |
21 |
60 |
80 |
60 |
|
ZLlift450L220D |
2.2 |
90 |
18 |
60 |
80 |
60 |
|
ZLlift450L370D |
3.7 |
110 |
21 |
60 |
80 |
60 |
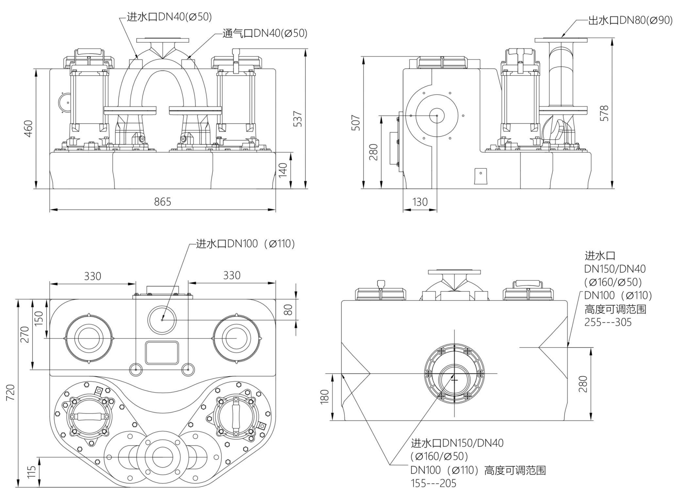
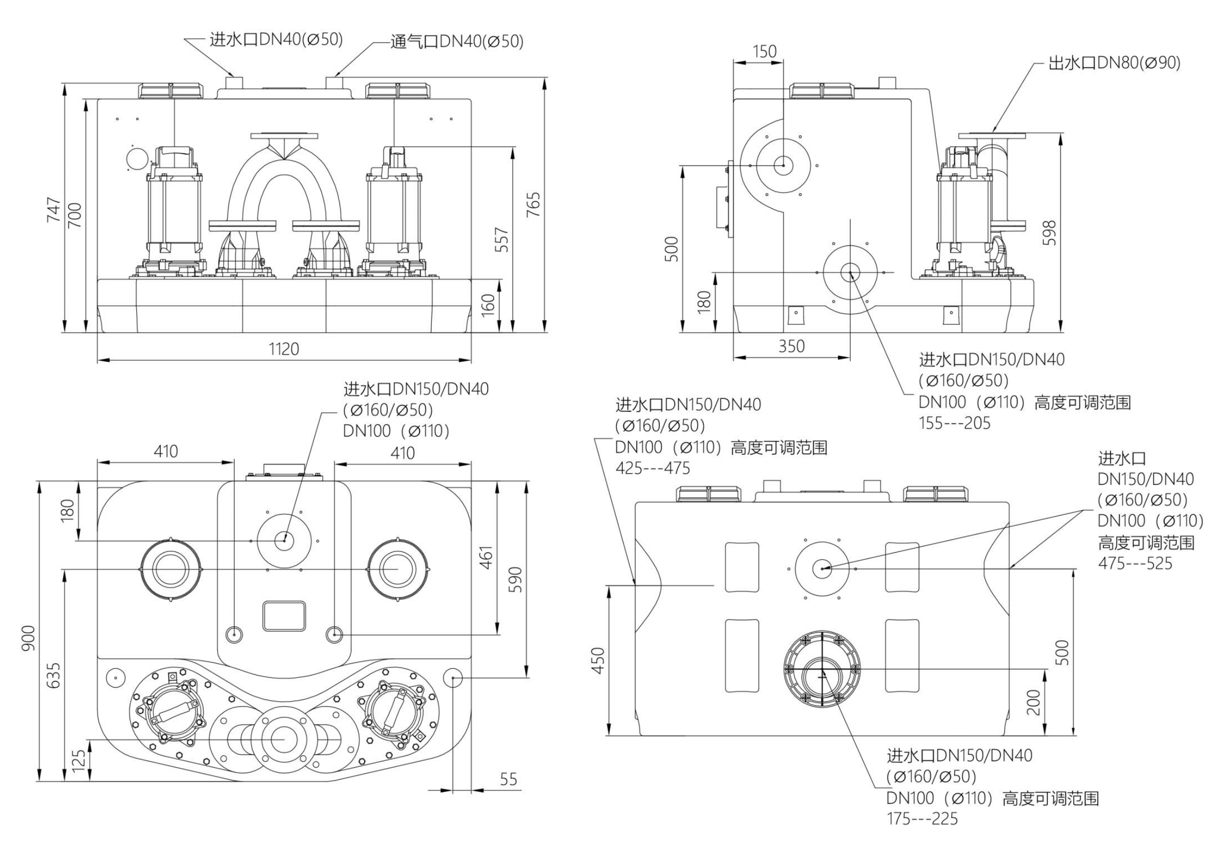
安装尺寸
150L安装尺寸

450L安装尺寸

在线留言
金年会金字招牌至上是国际知名品牌机械和流体设备的代理商,主要经营台湾捷埃斯水泵、丹麦格兰富水泵、德国威乐水泵、台湾华乐士水泵、美国利佰特提升泵等品牌产品。公司致力于为民用、商用、工业用等众多领域客户提供专业的机械、流体设备和技术咨询服务。高性价比的产品、热情及时的服务,使得金年会金字招牌至上在流体设备领域中成为模范企业,在水处理、环保、暖通、空调、机械等行业赢得的了良好声誉。
扫描手机版
版权所有 金年会金字招牌至上