联系电话:4008 088 260

您现在的位置:
首页
/
/
/
/
CHK系列多段式浸水式离心泵
CHK副本11111

CHK系列多段式浸水式离心泵

应用领域
> 工业循环系统、清洗系统、过滤系统。
产品特点:
> 1、多级浸入式离心泵,浸水自吸式,泵与马达同轴设计;
> 2、主要动作零件不锈钢结构设计。
服务热线: +021-57728868
CHK副本11111
产品描述
参数

产品特点:
多级浸入式离心泵,浸水自吸式,泵与马达同轴设计,叶轮安装在马达延长之轴心上,主要动作零件不锈钢结构设计。


产品应用:
工业循环系统

清洗系统

过滤系统

 

性能曲线

 

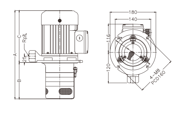
技术参数(产品尺寸)

性能曲线

 

技术参数(产品尺寸)

性能曲线

技术参数(产品尺寸)

 

性能曲线

技术参数(产品尺寸)

 

性能曲线

 

技术参数(产品尺寸)

 

性能曲线

 

技术参数(产品尺寸)

 

扫二维码用手机看
未找到相应参数组,请于后台属性模板中添加
上一个
下一个

在线留言

留言应用名称:
客户留言
描述:
金年会金字招牌至上

       金年会金字招牌至上是国际知名品牌机械和流体设备的代理商,主要经营台湾捷埃斯水泵、丹麦格兰富水泵、德国威乐水泵、台湾华乐士水泵、美国利佰特提升泵等品牌产品。公司致力于为民用、商用、工业用等众多领域客户提供专业的机械、流体设备和技术咨询服务。高性价比的产品、热情及时的服务,使得金年会金字招牌至上在流体设备领域中成为模范企业,在水处理、环保、暖通、空调、机械等行业赢得的了良好声誉。

联系方式

公司地址 : 成都市锦江区

联系电话:4008 088 260+
公司邮箱 : manager@xinxia.top

 

店铺二维码

扫描手机版

版权所有  金年会金字招牌至上

XML 地图