> 1、永磁同步电机和变频器技术,高效节能;
> 2、内置集成温度和压力传感器,可自动调整循环泵性能从而确保效率和能耗。
产品特点:
新型EVOPLUS循环泵采用了先进的技术-永磁同步电机和变频器,从而确保在各种应用环境下的高效率,具有显 著的节能效果;新型EVOPLUS循环泵符合欧盟ErP 2009/125/EC(旧版EuP)2015o其特点是内置集成温度和压力传感器,可检测采暖系统需求变化并自动调整循环泵性能从而始终确保最佳效率和最低能耗。

经济模式可在控制面板直接设置,扬程的预设值可最大减少50%. 所有的型号均可选择单泵和双泵系统,双泵系列的出水口配备自动旋 启式止回阀,避免单泵工作时,介质再循环。配备专用接插件,可简 单快速的实现设备的电气连接,单泵配备隔热壳体套件,可大大减少 热分散;直观的界面可实现对EVOPLUS的轻松设置,并提供及时反馈, 从而实现对运行参数的持续监控,符合人体工程学的布局,确保了循 环泵各功能的相互作用及其控制,倾斜45。的背光式用户界面,更易于 读取并便于在任何条件下进行设置。
产品应用范围:
• EVOPLUS电子循环泵适用于民用住宅和商业建筑中得供暖、通风和空调系统等(如大型民用住宅、小型公 寓、私立和公立医院,学校以及房地产项目等)
性能曲线

技术参数

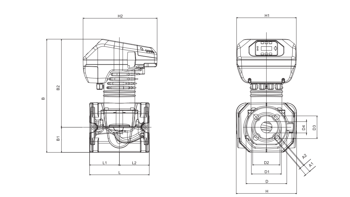
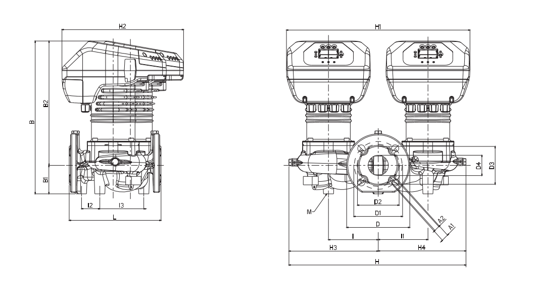
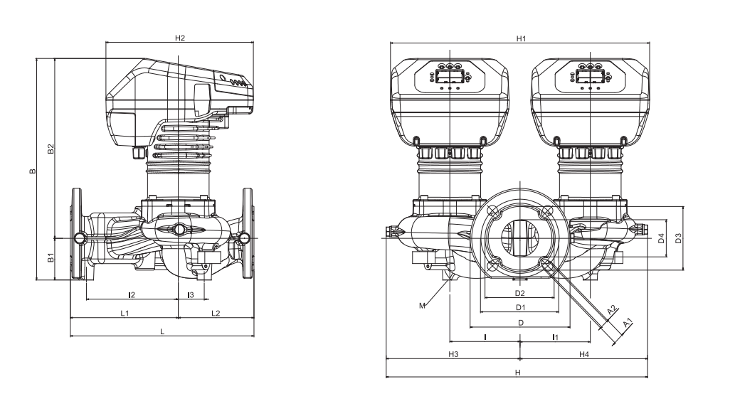
产品结构及尺寸







在线留言
金年会金字招牌至上是国际知名品牌机械和流体设备的代理商,主要经营台湾捷埃斯水泵、丹麦格兰富水泵、德国威乐水泵、台湾华乐士水泵、美国利佰特提升泵等品牌产品。公司致力于为民用、商用、工业用等众多领域客户提供专业的机械、流体设备和技术咨询服务。高性价比的产品、热情及时的服务,使得金年会金字招牌至上在流体设备领域中成为模范企业,在水处理、环保、暖通、空调、机械等行业赢得的了良好声誉。
扫描手机版
版权所有 金年会金字招牌至上