产品特点::
> 1、马达轴与泵轴同轴设计,配有机械轴封;
> 2、接液部件均由不锈钢制成。
> 1、马达轴与泵轴同轴设计,配有机械轴封;
> 2、接液部件均由不锈钢制成。
应用范围
家庭供水
工业、农业用液体输送和循环
增压系统
空调系统
水处理系统
水质软化系统
冷却系统,工具机冷却系统
专用OEM设备,如制药,化工、定量给料设备等
产品特点
HBI/HBN系列泵浦是非自吸卧式多级离心泵。紧凑,人性化的设计使得该系列泵浦适用于家庭或工业供水/水循环/冷却系统。采用马达轴与泵轴同轴设计,并配有机械轴封。
HBI/HBN:所有与液体接触的泵浦零件均由不锈钢制成。
运行条件
该系列泵浦不能用于强腐触性,爆炸性,易燃液体的输送。且液体中不应含有固体物质,例如:砂石,纤维及类似物质。
常见的弱腐蚀性液体,油状液体,冷热状态均可以通过泵体输送。
泵浦在输送特定液体时是否适用取决于若干因素,例如:ph值、化学成分(如氯化物、油等)、液体的温度等。如果您不确定某些液体是否适合泵浦输送,请联系销售人员。
液体温度范围:0℃~+110℃
最高环境温度:+40℃
性能曲线




电机数据:




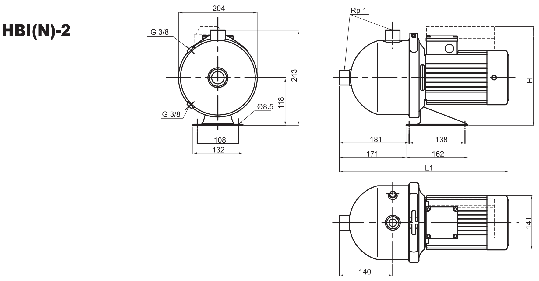
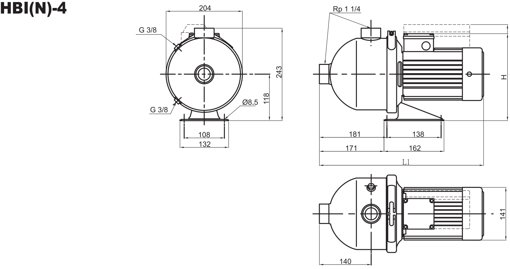
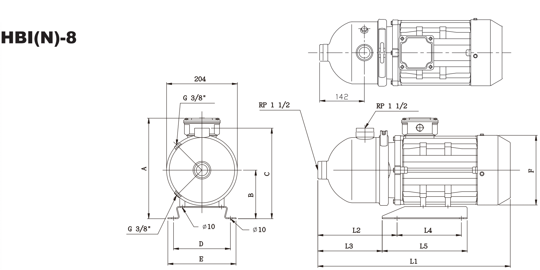
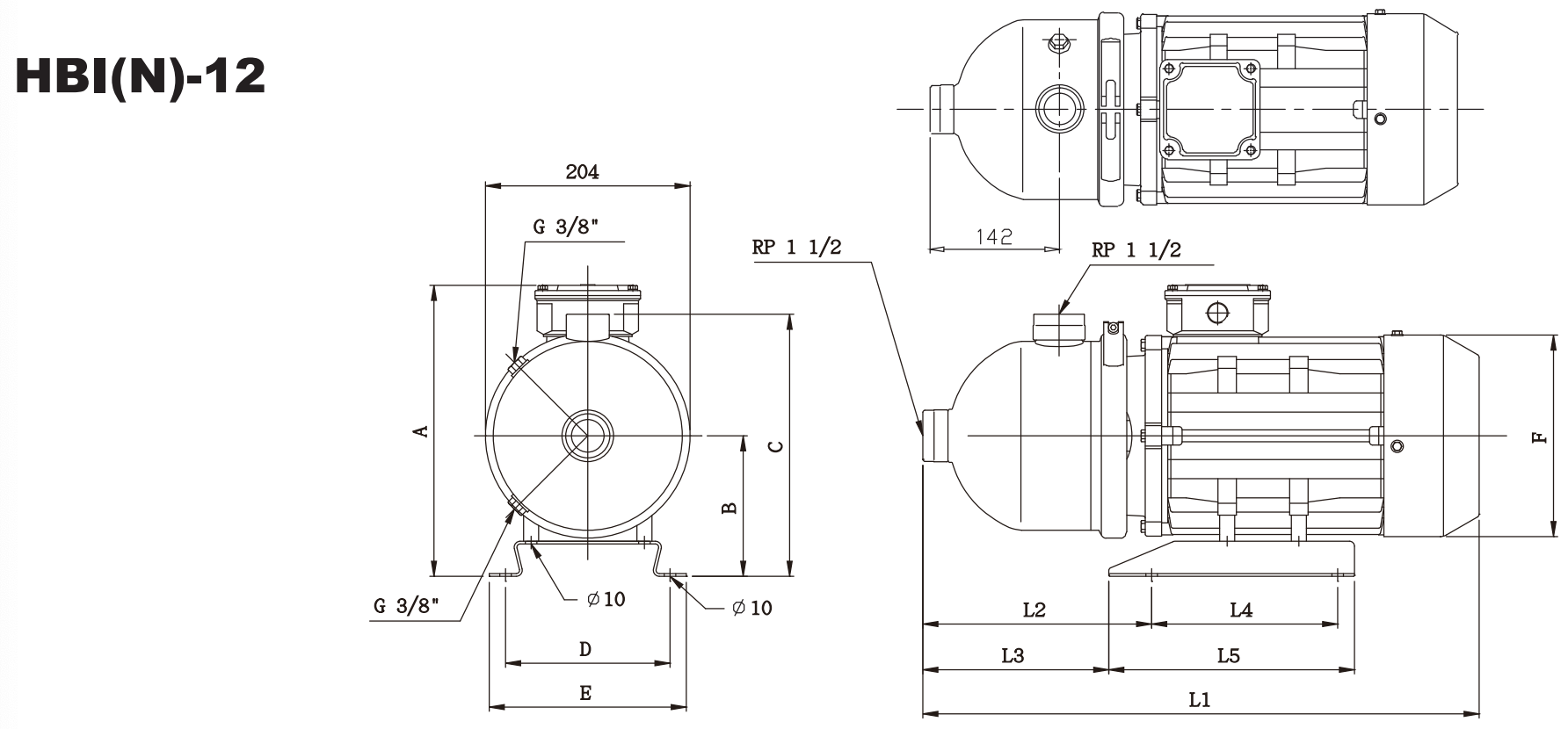
安装尺寸:






在线留言
金年会金字招牌至上是国际知名品牌机械和流体设备的代理商,主要经营台湾捷埃斯水泵、丹麦格兰富水泵、德国威乐水泵、台湾华乐士水泵、美国利佰特提升泵等品牌产品。公司致力于为民用、商用、工业用等众多领域客户提供专业的机械、流体设备和技术咨询服务。高性价比的产品、热情及时的服务,使得金年会金字招牌至上在流体设备领域中成为模范企业,在水处理、环保、暖通、空调、机械等行业赢得的了良好声誉。
扫描手机版
版权所有 金年会金字招牌至上